干法輥壓造粒設備定制雙輸出軸減速機
本次推薦一款小型的雙軸豎直排列的雙輸出軸減速機:YZSY360-30kw-6p-48-O-M1型。
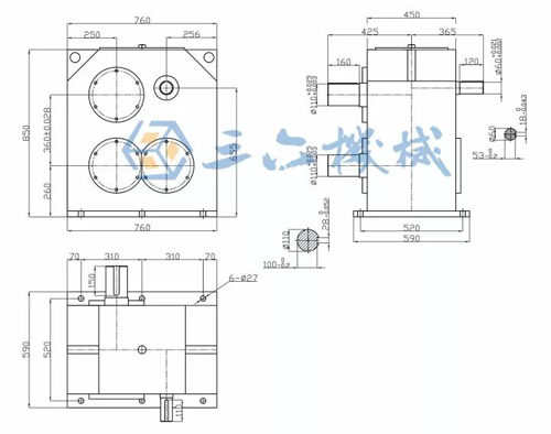
為常州某干法輥壓造粒設備廠家配套設計,如圖:
型號:YZSY360-30kw-6p-48-S-M1
中心距:360mm
輸入功率:30kw-6p
傳動比:48
輸出轉速:20.4 r/min
單軸扭矩:7000N.m
旋轉方式:同步反向
輸入方式:皮帶輪1/1連接
安裝方式:M1
外形尺寸圖:
上一個 : 非標單軸減速機定制
下一個 : 非標定制多種傳動比雙輸出減速機


在線客服